成都益欣宇科技有限责任公司
加入收藏 设为首页 联系我们   
 ASB产品
 RN2产品
 爱黙生.康明(Emerson&Cuming)吸波材料
 莱尔德(Laird)屏蔽材料
 Laird导热材料
 滤波器
 温补晶振
 恒温晶振
 原子钟
 激光晶体
 首 页 > ·产品展示 > ·产品介绍 [返  回]  
 

OSCILLATOR铷原子钟

HPRO

High Performance Rubidium Oscillator

Main Features:

.Excellent short term stability

.Very low phase noise

.Fast warm-up

.Rb lamp extended life expectancy (20 years)

.Industry standard D-SUB9 connector

.RS 232 interface for centre frequency adjustment and monitoring

.Accept 10MHz and 1pps input signals for frequency self-calibration(optional)

Main Applications:

.Synchronisation telecommunications (SDH, SONET, SS7, GSM, TETRA)

.Digital Audio Broadcast

.TV transmissions (analog & digital)

.Military communications

.Navigation

.Instrumentation

.Tracking and guidance control

  HPRO high-performance rubidium oscillator is a high-precision frequency generator that integrates low-noise technology and high-stable frequency correction technology. It has many modern technologies and performances. It is an ideal replacement for high-performance rubidium oscillators such as LPRO, XPRO, StarLPRO-1500, etc., the mounting holes are compatible.

  HPRO integrates a high-performance integrated filter system (IFT), short-term frequency stability can reach 5E-12 ADEV @ 1s, and high-performance digital control system and analog circuit can make the whole machine output extremely low phase noise frequency signal, The typical value is -135dbc / Hz @ 10Hz, which usually saves the user the cost of adding an advanced oscillator to the back end.

  More importantly, HPRO has very low frequency aging rate, with an upper limit of ±5E-11 / month, which allows HPRO to maintain a frequency accuracy of ±1E-9 for 10 years. More convenient is that the oscillator can be adjusted by RS-232 serial port. The seamless adjustment range can be extended to the entire voltage control range (± 5E-7) of the internal constant temperature crystal oscillator, which makes HPRO capable of any application that requires high-precision frequency.

  HPRO has a special function. If the frequency calibration option is selected, it integrates a high-precision frequency measurement module. It can enable the function of HPRO to accept 10MHz (such as output from cesium atomic clock) and 1pps signal (such as 1pps output from GPS receiver). The frequency measurement module will compare the frequency and phase difference between the oscillator itself and the input signal. The analysis results can be fed back to the user or perform frequency calibration on itself. You can even use it as a frequency counter with a high-precision time base. This module has more powerful functions than the traditional 1pps discipline.

SPECIFICATIONS

ELECTRICAL SPECIFICATIONS

RF Output

• Frequency: 10MHz

• Format: Sinewave

• Amplitude: +8 ±1dBm

• Load impedance: 50Ω @ 10MHz

• Connector: SMA

1PPS Output (OPTION)

• Rise time: <5 nS

• Pulse width: <20 μS

• Level: LVTTL

• Jitter: <1ns RMS

• Connector: DB-9

PERFORMANCE PARAMETERS

• Phase noise (SSB), £(f), dBc/Hz

• SB Freq

1 Hz <-95

10 Hz <-130

100 Hz <-150

1 kHz <-155

10 kHz <-157

• Spectral purity

- Harmonics: <-40dBc

- Non-harmonics: <-70dBc

• Aging

- Monthly (after 1 month): <±5.0E-11/Month

- 10 years: <±1.0E-9

• Frequency accuracy at shipment: <±5.0E-11 (@ +25ºC)

• Frequency retrace : <±2.5E-11 (on-off-on: 24h, 48H, 24H at 25ºC)

• Short term stability (Allan deviation) (sec)

1 <5.0E-12

10 <1.7E-12

100 <5.0E-13

• Frequency control

-Analog freq. adj. range: ±1.5E-9 (0 - 5V)

-Digital freq. adj. res: ±5.0E-7,with 1E-12 resolution

• Warm-up -20ºC+25ºC

- Time to lock: <7 min <4 min

- Time to <1E-9: <10 min <7 min

- Time to <4E-10 <12 min <10min

• Max input (Amps) @24V: <2.3A

• Input voltage range: +22 to 25 Vdc

• Voltage sensitivity: 1E-11/V (over input voltage range)

• Input power, quiescent

+24 Vdc @ +25ºC: <12W

• Lock status (BITE) 3.3VCMOS

- low : Lock

- high : Unlock

• RS-232 control/monitor interface

Provides ID, status/monitor information, and frequency/operating parameter adjustments.

Protocol: 57,600, 8, 1, None, No flow control.

ENVIRONMENTAL & PHYSICAL SPECIFICATIONS

• Temperature

- Operating: -30ºC to +67ºC baseplate

- Storage: -55ºC to +85ºC

• Sensitivity: <6.0E-10 over operating temp. range

               <3.0E-10 (0ºC to 50ºC)

• Altitude

- Operating: -200 to 40,000'

- Non-operating: -200 to 70,000'

• Magnetic sensitivity: dc(≤2Gauss)

                         ≤ ±1.0E-11/Gauss

• RH (operating): ≤85% non-condensing

Meet or exceed Telcordia GR-63-CORE Issue .2, April 2002, section 4.1.2

• Vibration:

- Operating: Meets or exceeds Telcordia GR-63-CORE Issue .2, April 2002 section 4.4.3 and 5.4.2 (no unlock, 1.0g peak sine @ 5 - 100Hz)

- Non-operating: Telcordia GR-63-CORE, Issue .2, April 2002, section 4.4.4 and 5.4.3, curve 1 or Figure 4-3 (1.5g peak max sine @ 5-500Hz)

• EMI: Compliant to FCC Part 15 Class B (conducted and radiated emissions) and complieswith EN55022B emissions (radiated and conducted) and EN50082-1 (immunity).

• Input connector: (1) DB-9

• RF Connector: (1) SMA

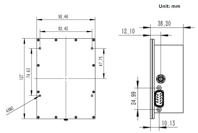
• Dimensions

- Height: 1.5” (3.82cm)

- Width: 3.7” (12.7cm)

- Depth: 5.0” (9.3cm)

- Weight: <1.8lbs (<800g)

HPRO Connection Diagram

Pin Function

1: +24V return

2: 1pps SYNC in

3: RS-232 data out

4: RS-232 data in

5: Lock bite

6: +24V power

7: 1pps out

8: No connect

9: Frequency control

HPRO Outline Drawing

DATASheet:原子钟HPRO_Rev.A.pdf

Copyright(c) 2011 成都益欣宇科技有限责任公司 All rights reserved.
蜀ICP备17001036号-1
CREE,DLI,ATC,Laird,EMI,RFI,Emerson&Cuming,滤波器,LTCC,LC,声表,双工,宽带滤波器,时间频率器件,晶振,Magic,Xtal,Morin,Axtal,OCXO,WolfSpeed,QORVO,Triquint,GaN,氮化钾,功放,大信号模型,RN2,耦合器,电桥,3dB桥,宽带电桥,定向耦合器,负载,衰减器,电容,COMPEX,高Q电容,单层电容,多层电容,芯片电容,增益均衡器,功分器,TYCO,3M,连接器,Xilinx,hittite,FPGA,PCB,加工,印制板加工,罗杰斯,FR-4,Rogers,Arlon,Taconic,PTFE,基板,OSP,沉金